一品威客凤楼网站论坛

您們好,接代惠臨樂清市春虹手機很大裝修公司
樂清市春虹智能電子無限集團公司

泉源廠家, 撐持定制,知心折務,雙贏將來

天下論壇約見熱線電話: 0577-61316969
接洽咱們
樂清市春虹電子無限公司
征詢熱線:18968817571
公司德律風:0577-61316969
公司地點:浙江省樂清市虹橋鎮模具中間二區D棟

帶燈輕觸開關選春虹

天下2洽談德律風: 0577-61316969

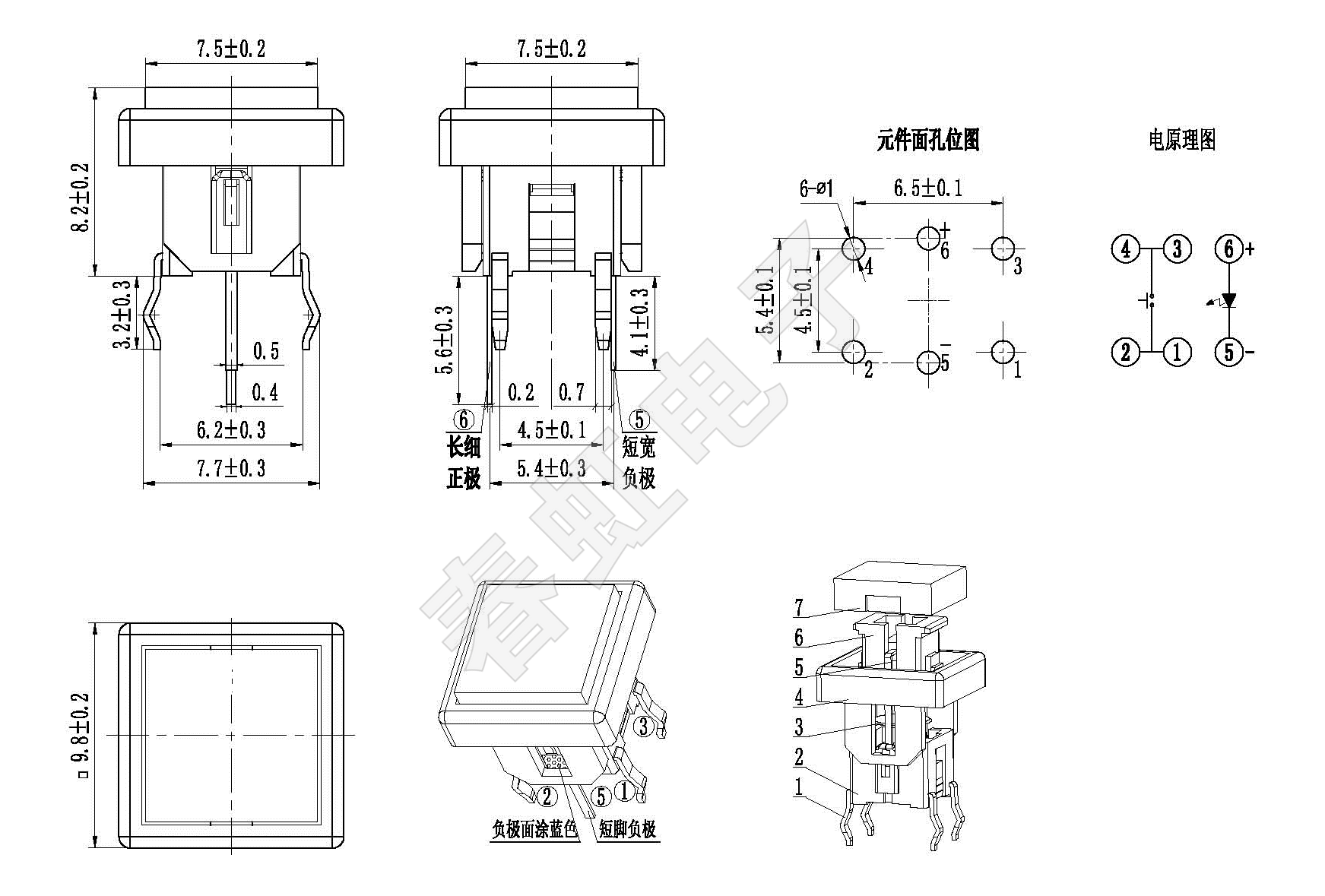
帶燈6x7.2系列

型號:KFCA0644-8.2H

氣候等級: -25°C至75°C更多值: 30V DC,30mA打架電阻值: ≤0.05Ω耐工作電壓: 250V AC絕緣帶電阻功率: ≥100MΩ強化措施力: 260gf±50gf/160gf±50gf使用年限: 10W times鹽霧工作: 12±1 hours燈色:紅/藍/綠/白/藍紅/紅綠等鴨舌帽特色:本白/紅/黃/綠/藍/黑/通明/頭盔加工工藝:人的本性/黑漆/銀漆/


產物概況

0644-7.png

創春虹該品牌、爭當標桿公司、標桿品質、標桿客戶
0577-61316969